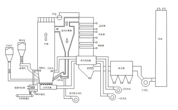
“晃電”是指電網由于雷擊、對地短路、發電廠故障及其他內外部故障原因造成的電網短時故障、引起電網電壓短時間大幅度波動,甚至短時間斷電數秒的現象。“晃電”會使系統電壓瞬時降低,導致接觸器、變頻器、斷路器等控制設備跳閘,造成能源供應中止。發生晃電對鍋爐裝置往往造成較大影響,易造成給煤機、風機、給水泵、DCS控制系統等重要設備的跳車,一且處理不正確或不及時將造成重大事故發生,晃電多發生于夏季多雷雨季節。
通常我們會根據用電設備電壓等級的不同,將晃電事故分為低壓電網晃電事故和高壓電網晃電事故。其中高壓6kv用電設備晃電該種情況可以分為給水泵晃電、引風機晃電、次風機晃電、一次風機與引風機同時晃電四種。
1、鍋爐給水泵晃電
當發生鍋爐給水泵晃電停車時,中控監控畫面上主要現象有:
①鍋爐給水壓力、流量急劇下降。
②汽包水位隨之急劇下降。
自然循環鍋爐汽包水容積有限,一旦發生給水中斷數分鐘內就可能導致鍋爐汽包發生干鍋,鍋爐給水泵跳車是危險的事故,處理原則為盡量不發生鍋筒干鍋。
處理步驟如下:
①盡量透平泵出力,力爭汽包液位。
②聯系電氣人員復位啟動給水泵備泵。
③當汽包失去可見水位時,嚴禁上水,關閉該爐主蒸汽門,放盡底料,保持引風機運行,強制降溫,并嚴密監視蒸汽壓力、尾部煙道溫度等參數發生汽水系統超壓、煙道后燃等事故發生。

2、風機晃電
當發生一次風機晃電跳車時,中控監控畫面上主要現象有:
①爐膛出口負壓瞬時至滿量程、一次風機電流指示為零。
②爐膛溫度、料層差壓、主汽壓力、溫度、汽包液位均迅速下降。
處理措施:一次風主要作用是床料的充分流化和對燃燒部分供氧,對CFB鍋爐的正常運行起著至關重要的作用。根據運行經驗,處理不及時特別容易造成爐膛結焦事故。處理應本著迅速準確、避免事故擴大化的原則進行:
①迅速停止給煤機向爐膛給煤,避免鍋爐結焦。
②停運二次風機、引風機、高壓流化風機,放部分循環灰,鍋爐按照壓火操作進行。
③現場聯系電氣人員檢查各風機等用電設備,待具備啟動條件后按“揚火”操作進行。
④事故處理過程中嚴密監視汽包液位,汽水系統壓力,避免發生干鍋和超溫超壓事故。
3、引風機晃電
當發生引風機晃電跳車時,中控監控畫面上主要現象有:
①引風機電流指示為零;
②爐膛出口壓力正壓至滿量程。
③爐膛溫度升高、爐膛差壓變大。
處理措施:
引風機的主要作用是將燃燒后的高溫煙氣排出、維持燃燒系統壓力穩定。發生引風機晃電跳車后處理不及時將造成鍋爐嚴重正壓損壞爐墻、鍋爐結焦或滅火事故,根據經驗處理措施應為:
①停運一、二次風機、給煤機、按照壓火處理,可保持高壓流化風機短時運行。
②聯系電氣人員迅速至現場啟動引風機,揚火操作,恢復鍋爐行,無法啟動則停止高壓流化風機運行。
③事故處理過程中嚴密監視汽包液位,汽水系統壓力,保持正常狀態,避免發生干鍋和超溫超壓事故。

4、一次風機、引風機同時晃電
當發生一次風機、引風機同時晃電跳車時,中控監控畫面上主要現象有:
①一次風機、引風機電流指示為零。
②爐膛壓力、溫度不正常波動。
處理措施:
發生一次風機、引風機同時晃電跳車時,按照鍋爐裝置壓火操作即可。
①停運給煤機、二次風機。
②停運高壓流化風機、放循環灰。
③待風機具備啟動條件后順序啟動引風機、一次風機、給煤機、高壓風機進行“揚火”操作。
④事故處理過程中嚴密監視鍋筒液位,汽水系統壓力,保持正常狀態,免發生干鍋和超溫超壓事故。